Avk Alternator Manual
Brushless AC Generators up to 20,000 kVA Cummins Generator Technologies range of AvK. AC generators are robustly engineered products, specifically designed to meet the challenges of the most arduous applications and environments - be it in extraction of oil, gas, coal and minerals, critical marine power to tankers and container vessels, or by providing dependable power with prime movers like diesel engines, gas engines, steam turbines, gas turbines or wind turbines in plant applications. Our extensive experience and knowledge gathered with the large number of diverse applications of synchronous.
Generator Technologies AvK Product Guide. AvK' alternators with heat exchangers or air filters fulfil the requirements for local fire-fighting systems (SOLAS).
AvK.DSG and DIG Product Range The DSG product range offers 4 to 12 poles at 50 and 60 Hz operating speeds. Applications are in generating sets driven by diesel or gas engines and gas or water turbines, providing power in single set, multiple set or utility connected operating modes. The DIG product range offers from 14 to 18 poles, at 50 and 60 Hz operating speeds. Driven by diesel or gas engines and steam, gas or water turbines, providing power in single set, multiple set or utility connected operating modes. Speed rpm 1800 1500 1200 1000 900 750 720 600 Low Voltage Synchronous Generators 380V. Applications Marine AvK.
marine generators are specifically designed to withstand harsh and critical marine power needs. They operate as shaft generators, PTI/PTO/PTH, in auxiliary gensets, or as main propulsion generators for diesel-electric applications in cruise liners, tankers, ice-breakers and offshore supply vessels. They comply with the requirements of all major marine classification societies. AvK' alternators with heat exchangers or air filters fulfil the requirements for local fire-fighting systems (SOLAS). Wind Turbines Our synchronous wind alternator design, running at synchronous. Applications Reciprocating Power Plants Our high efficiency and integrated design solutions help our customers deliver the right packages for their power plant requirements. We work jointly with the set builder to develop a high degree of standardisation, resulting in shorter manufacturing times, which allow customers to deliver power plant packages ever more quickly.
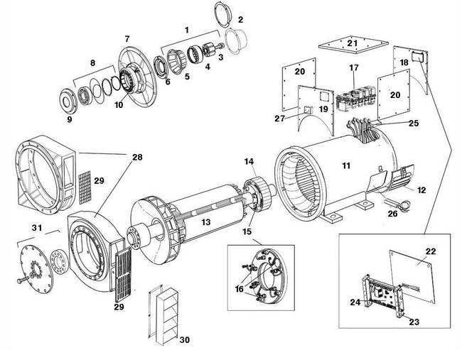
We also offer vibration analysis capabilities for proving the validity of genset designs or for solving the end users' vibration issues. Gas Turbines We work closely with gas turbine manufacturers in sizing the appropriate AC generator. Construction Stator The stator cores are built of low-loss high grade electrical steel pressed together by means of pressure plates to form a compact unit. The frames are mechanically designed, built to withstand tough applications and ensure that there is ample airflow to cool the windings. The windings are form wound for higher reliability and comply with temperature class H for low voltage, and class F for high voltage, in accordance with German Industrial Standards DIN EN 60034-1 and VDE 0530-1.
The windings may be of the singular or multiple conductor design with parallel connections where. Automatic Voltage Regulator Excitation and Rgulation Cummins Generator Technologies' DM 110 digital AVR is used on AvK. AC generators up to 5000 kVA. This AVR is either fitted or supplied loose, depending upon the application. For loads higher than 5000 kVA, the Unitrol 1000-15 AVR is the standard, and the DECS 200 AVR is available as an option. All AVRs are designed to be fitted into the control panel.
All AVRs are electronic, solid-state, microprocessor based devices, with a regulation of +/- 0.5% from no load to full load at steady state. All are suitable for non-linear load applications. Protection and Cooling Our standard is the open drip-proof enclosure, suitable for clean air environments. Where there are harsh environmental conditions, we can provide a variety of cooling and protection options. The standard is IP23 and higher types of enclosure protection such as IP23 with filters, IP44, IP54, and IP55 can be supplied on request.

Avk Products
Totally enclosed air to air cooled (TEAAC/CACA) Suitable for dusty environmental conditions, as found in mining, textile plants, oil & gas, quarries and wind applications. One or two internal fans direct the enclosed air up and through an array of. Global Support Technical Support and After Sales Service Cummins Generator Technologies' engineers are available to provide technical information to assist in selecting the correct generator specifications that your job demands.
We continue our support through commissioning and into after-sales service and support. Our engineers are experienced professionals trained in electrical, electronic and mechanical skills. They in turn are supported by a worldwide spares and service network. Our Global Service Network offers: ■ 24 hour response to service emergencies -7 days a week every day of the year. Our Promise At Cummins Generator Technologies, it's not just the products we make that set us apart - it's how we engage our customers everyday.
The unique combination of knowledge, dependability and innovation we bring to each customer relationship turns everyday service into excellent customer support. As a result we help our customers operate with greater efficiency, making it possible for them to compete more successfully throughout the world.
Cummins Generator Technologies manufactures the world's broadest range of ac generators from 0.5 to 20,000 kVA. C Generator Technologies www.cumminsgeneratortechnologies.com Cummins Generator Technologies Germany GmbH Bunsenstrasse 17 D-85053 Ingolstadt Tel: +49 (0) 841 792 0 Fax: +49 (0) 841 792 250 email: info@cumminsgeneratortechnologies.com Copyright 2010, Cummins Generator Technologies Ltd. All rights reserved Cummins and the Cummins logo are registered trade marks of Cummins Inc AVK is a registered trade mark of Cummins Generator Technologies Ltd.
PGAvK0810AF Rev. 0' All CUMMINS GENERATOR TECHNOLOGIES catalogues and technical brochures.
Cummins Generator Technologies has appointed General Power as an Official Parts Dealer for GENUINE Stamford products. Our Stamford product line includes 100% original AC Alternators, Automatic Voltage Regulators, Diode Kits and a variety of other alternator parts. We carry the largest genuine Stamford inventory in North and South America and provide same day shipping worldwide as well as reseller and special quantity discounts. We highly encourage distributors to contact us. Please email all Stamford Automatic Voltage Regulatorrequests to and our team will gladly provide a quote within that same day.