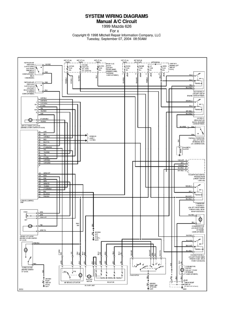
626 Circuit Manual
Found them online a long time ago. Saved them on my computer. Site is down. I didn't have a chance unfortunately to download all the files, there were a lot more specific to doing various installations and removals. I never even got that far (fortunately it would appear!). I just get the following error when I try to access the links: #10173 We could not find the attachment you were attempting to view. I could really use some of these.
• Handle the circuit board only at grounded, ESD protected stations. • Remove power from the PCI system before installing or removing the circuit board. Sensoray Model 626 Instruction Manual 5.
If anyone has any suggestions on how I can actually download these files I would appreciate it. (I will of course scan them for virus before opening. Thanks for the heads up hant9925) Hopefully not all of them are infected. The files work for me. You sure the site itself wasn't experiencing some trouble that day?
MODIFICATION a common operation modding for TR-626 is the circuit. Roland tr626 circuit bent. Gallery demo manual gallery of BENT BURNKIT 2600. Mazda 626 1992 Circuit Diagramm More references related to mazda 626 1992 circuit diagramm 1997 gmc sierra owners manual Mitsubishi shogun handbook manual 2015.
Any file in specific people having trouble with and want me to re-upload? Also what file had a virus? I have Kaspersky installed and it seems fine with all these being on my computer.
Roland TR-626 Country: JAPAN Weight: 1,3 Kg Dimensions: 400 (w) x 194 (h) x 55 (d) mm trend price: 150€ Roland TR-626 Digital Rhythm Composer (1987) One of the first fully-digital affordable drum machine based on compresed PCM acoustic samples. DRUM MACHINE main panel features a LCD display (no backlit), 16 buttons, 2 knobs and 16 trigger pads (no velocity). Panel terminal connectors: - signal main out - 8 individual outputs - Midi interface (no THRU) - analog trig out (at +5V) controlled by rimshot - pedalswitch input start / stop - tape & sync interface. Power supply is a 9V external PSU DC +(- 50mA or 6x 1.5V batteries. TECH main core based on CMOS 8 bits CPU HD63701Y0P which manages 8 channels polyphony. Each TR626 voice has a sample assigned from 4 different ROM banks (rompler) with some channel-shared restrictions e.g: you cannot play SNARE 1 and SNARE 2 at the same time. The sample edit is limited to 2 parameters: - pitch tuning (7 semitones range) - mix volume WAVETABLE internal ROM ( at IC15) UPD23 contains 30 PCM waves at 8 bits resolution and 25 kHz sampling rate.

PCM are mainly sampled from acoustic drums and organized in 16 categories: kick, timbale, hihats, cup, snare, crash, cowbell, handclap, tomtom, cymbals, tambourines, claves, rimshot, ride, agogo and shaker. All waves SEQUENCER recording patterns is similar to Roland system with some dit options e.g flame, accent, swing and shuffle an d 2 recording modes: realtime or step. SYNC internal tempo range from 40 to 240 BPM or slave-synched to: - external Midi clock - tape sync protocol. TECH: SYNC 24 is no more implemented in 626, however the trigger out is always handy to sync other drum box or synth arpeggiator.
A synched sequence MIDI sounds can be assigned to a specific MIDI note and triggered dynamically (limited to 6 levels) by Midi devices, but no other special controls or CC#. MEMORY: - 48 ROM patterns - 48 RAM patterns - 6 songs (maximum of 999 steps) RAM is tripled using Roland M-128D card, usually cheaper than m256D used by Roland. Patterns and songs can be also saved to Midi sysex dump or using the obsolete tape interface. LEFT - Battery replacement soldered CR 2032 3V - thanks to Marco Moreno Graziano for pic click to enlarge MODIFICATION a common operation modding for TR-626 is the circuit bending: bent points are often modular of activated by levers. UP -If you like stretched glitches sounds this could be a nice job for your machine. Our special circuit bent TR626 (now sold) gallery of BENT BURNKIT 2600 RELATED FAMILY: is the cut-down features brother. Even more compact, the 505 features less sounds, less sequencer functions, no more separate outs and no samples tuning options.
626 Manual Transmission
VST PLUGIN / SAMPLED VERSION there are some free and commercial samples set: FREE tr626 sample set AUDIO DEMO VIDEO SELECTION Demo with Roland Circuit bent modular Company: Model: Tr-505 Class: Drumpads: 16 Dates: 1987 Price: 100€ Synthesis:: 8 voices: 8 bits: 30 PCM: 25 kHz LFO: none Envelope: none Sequencer: yes Tempo: 40-240 BPM: Midi / Tape sync: 48 slots Midi: IN / OUT CPU: HD63701Y0P: 4 FACTORY RESET PROCEDURE HOLD TRACK #1 AND MODE AND POWER ON. Original Brochure Roland TR-626 FOR SALE the synthcat is sleeping on 626 To bend or not to bend. Tr626 making noise along with SPECIAL AWARDS: OLDSCHOOL LO FI Master REVIEW ' A piece of digital Roland history at low price!
626 Circuit Manual Solution
Tip: be inventive with separate outs and effects' -sequencer -waveforms -affordable -display -limited Midi Add Comment or Review.